产品中心
主要产品七大类六十余种规格
乐动手机注册

TB-NE系列板链式提升机(以下称NE系列板链式提升机)是乐动(中国)引进国外同类产品先进技术开发的产品。是目前国内较为先进成熟的一种垂直提升设备,已被广泛用来提升各种散状物料,如:矿石、煤、粉煤灰、水泥、水泥熟料、粮食、化肥等。在各工业国家,这类提升机应用极广。由于其高效节能,已成为替代HL及TH型等环链式提升机的首选。

NE系列板链式提升机共有10种型号:NE15、NE30、NE40、NE50、NE100、NE150、NE200、NE300、NE400、NE500。



技术规范 型号说明 产品结构
技术规范

1BCD45BF-9BAA-458c-A0AB-E9CD8B179E11 (1).png


型号说明

DE6D5425-289E-4880-82BC-34F8D4E00F52 (1).png

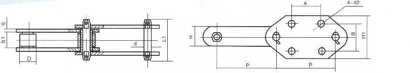
产品结构

08.jpg

5DDBEF38-3AFA-4ab0-95FF-1E733D93EE7F.png

F006ACDD-1C0A-4481-8306-A181EBF62CFA (1).png




版权所有 浙江省乐动手机注册 Copyright © 2022 All Rights Reserved 浙ICP备07504362号-1号 浙公网安备 33018202000101号
技术支持:鼎易科技
版权所有 浙江省乐动手机注册 Copyright © 2022 All Rights Reserved 浙ICP备07504362号-1号 浙公网安备 33018202000101号
技术支持:鼎易科技